Pengendali tangan

Pengendali elektrik siri DFD ialah peranti tambahan untuk unit kawalan terminal sistem pengukuran dan kawalan proses industri. Mereka boleh melengkapkan fungsi seperti pensuisan keadaan kerja manual dan automatik bagi penggerak elektrik, operasi jauh dan pengesanan automatik dan pensuisan bebas gangguan. Terdapat penunjuk keadaan berfungsi dan ammeter dua jarum yang memaparkan arus keluaran pengawal selia dan arus maklum balas penggerak pada panel pengendali elektrik. Pengendali elektrik juga boleh mengeluarkan isyarat geganti had dalam keadaan kerja automatik, dan merealisasikan had elektrik penggerak elektrik bersama-sama dengan penguat servo elektrik.
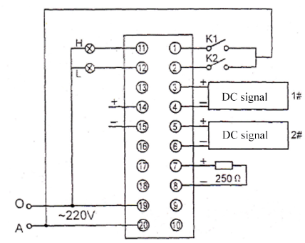
Struktur dan prinsip
Pengendali elektrik menggunakan prinsip sistem kerja suis untuk bertukar antara keadaan kerja "manual" ←→ "automatik" dan melaksanakan operasi manual. Penjejakan automatik bermaksud bahawa dalam keadaan kerja "automatik", penurunan voltan (iaitu voltan penjejakan) yang dihasilkan oleh perintang -R1 pada saluran arus maklum balas kedudukan penggerak digunakan pada hujung kapasitor integral pengawal selia, supaya arus keluaran pengawal selia sentiasa menjejaki perubahan arus maklum balas kedudukan penggerak untuk mengekalkan kesaksamaan.
Pengendali elektrik terutamanya terdiri daripada suis pensuisan dan operasi, meter bukaan (ammeter jarum dua), perintang, lampu penunjuk, dan litar untuk mengawal penggera had. Bahagian atas meter pembukaan pada panel pengendali elektrik memaparkan arus keluaran pengawal selia (iaitu, arus input penguat servo), dan bahagian bawah memaparkan arus maklum balas kedudukan penggerak. Lampu penunjuk memaparkan keadaan kerja "manual" dan "automatik". Dalam keadaan kerja "manual", litar pengendali elektrik boleh dipermudahkan seperti Rajah 2-A dan lampu penunjuk "manual" dihidupkan. Tekan. Suis "▼" ("▲") dihidupkan, motor penggerak dihidupkan, dan lengan keluaran penggerak bergerak dalam arah "buka" ("tutup". Voltan pengesanan yang dijana oleh arus maklum balas kedudukan pada perintang-R1 disambungkan selari dengan kapasitor kamiran pengawal selia melalui terminal-x4:14x dan x4:15 pengendali elektrik. Pada masa yang sama, terminal-x4:16 dan-x4:17 pengendali elektrik adalah litar pintas, dan peraturan PID ditukar kepada peraturan PI, merealisasikan pengesanan pantas arus maklum balas kedudukan penggerak oleh arus keluaran pengawal selia . Apabila arus keluaran pengawal selia adalah sama dengan arus maklum balas kedudukan penggerak, pengendali elektrik beralih daripada "manual" kepada keadaan kerja "automatik", dan elemen keluaran penggerak kekal dalam kedudukan asal, menyedari pensuisan bebas gangguan daripada "manual" kepada keadaan kerja "automatik". Dalam keadaan kerja "automatik", litar pengendali elektrik boleh dipermudahkan seperti Rajah 2-B dan lampu penunjuk "automatik" dihidupkan. Apabila pengendali elektrik bertukar daripada keadaan kerja "automatik" kepada "manual", motor penggerak dimatikan, dan kedudukan lengan keluaran kekal tidak berubah, merealisasikan suis bebas gangguan daripada "automatik" kepada "manual" berfungsi negeri.
Pengendali elektrik mempunyai fungsi had elektronik. Prinsipnya ialah arus maklum balas kedudukan penggerak menghasilkan penurunan voltan apabila mengalir melalui R1 dalam operator. Penurunan voltan ini dihantar ke pembanding dwi ML393 melalui penguat dan dibandingkan dengan voltan had yang diberikan. Apabila pembanding mempunyai keluaran berpotensi rendah, geganti sepadannya diaktifkan. Apabila geganti diaktifkan, sepasang kenalan mengunci penguat, menyebabkan penguat berhenti mengeluarkan dan penggerak berhenti berputar, dan pasangan kenalan yang lain bersambung ke lampu penunjuk panel untuk kegunaan penggera.
Dimensi



Papan Kawalan & Aksesori

Sejarah Syarikat
2014 Syarikat kami telah didaftarkan di rumah sewa pada masa yang sama, jabatan perdagangan asing telah ditubuhkan.
2015 Alamat pejabat ditukar kepada:Bangunan Penjimatan Tenaga Bandar Zhongbei tahun ini syarikat kami telah melakukan pensijilan 9000 CE dan pensijilan kelayakan lain, dan negara eksport utama ialah Asia Tenggara, Parkistan Vietnam, Singapura dan Thailand.
2016 Perniagaan perdagangan asing secara beransur-ansur meningkatkan pengeksportan ke Amerika Selatan Chile, Paraguay, Rusia dan negara lain pada masa yang sama pada asas sebelumnya.
2020 Syarikat kami membangunkan pasir penggerak elektrik secara bebas yang digunakan untuk paten model utiliti dan sijil paten penampilan. Perniagaan perdagangan dalam dan luar negeri telah berkembang pesat, dan jabatan perdagangan dalam negeri telah disenarai pendek sebagai pembekal tetap untuk perusahaan besar seperti Sinoma.Red Lion dan Huaxin dll. Jabatan perdagangan asing telah disenarai pendek sebagai pembekal tetap untuk perusahaan besar seperti sebagai Sinoma.Red Lion dan Huaxin dll.Jabatan perdagangan asing telah menjalankan projek-projek besar seperti treament kumbahan berskala besar.
2021 Jumlah jualan tahunan penggerak elektrik syarikat kami telah menghampiri 2,000unit Pada masa yang sama, kelayakan eksport berikut telah dikendalikan:ROHS SILATEX dll, antaranya, produk kalis letupan juga telah lulus pensijilan National Institute of Explosion-proofing.Produk utama juga telah melepasi kualiti yang berwibawa.
Status pemerolehan pensijilan utama

Cool tags: manipulator suis auto pengendali elektrik dfd, China, pengilang, pembekal, kilang, beli, harga, sebut harga
